首页
关于台邦
集团概况
企业资质
企业荣誉
发展历程
设备展示
企业文化
文化理念
领导关怀
产品中心
产品系列
应用领域
服务中心
资料下载
视频中心
售后服务
常见问题
资讯中心
新闻动态
媒体报道
展会动态
人才中心
人才发展
员工关怀
招贤纳士
联系我们
销售网络
子公司
首页
关于台邦
集团概况
企业资质
企业荣誉
发展历程
设备展示
企业文化
文化理念
领导关怀
产品中心
产品系列
应用领域
服务中心
资料下载
视频中心
售后服务
常见问题
资讯中心
新闻动态
媒体报道
展会动态
人才中心
人才发展
员工关怀
招贤纳士
联系我们
销售网络
子公司
English
返回
产品中心
分享:
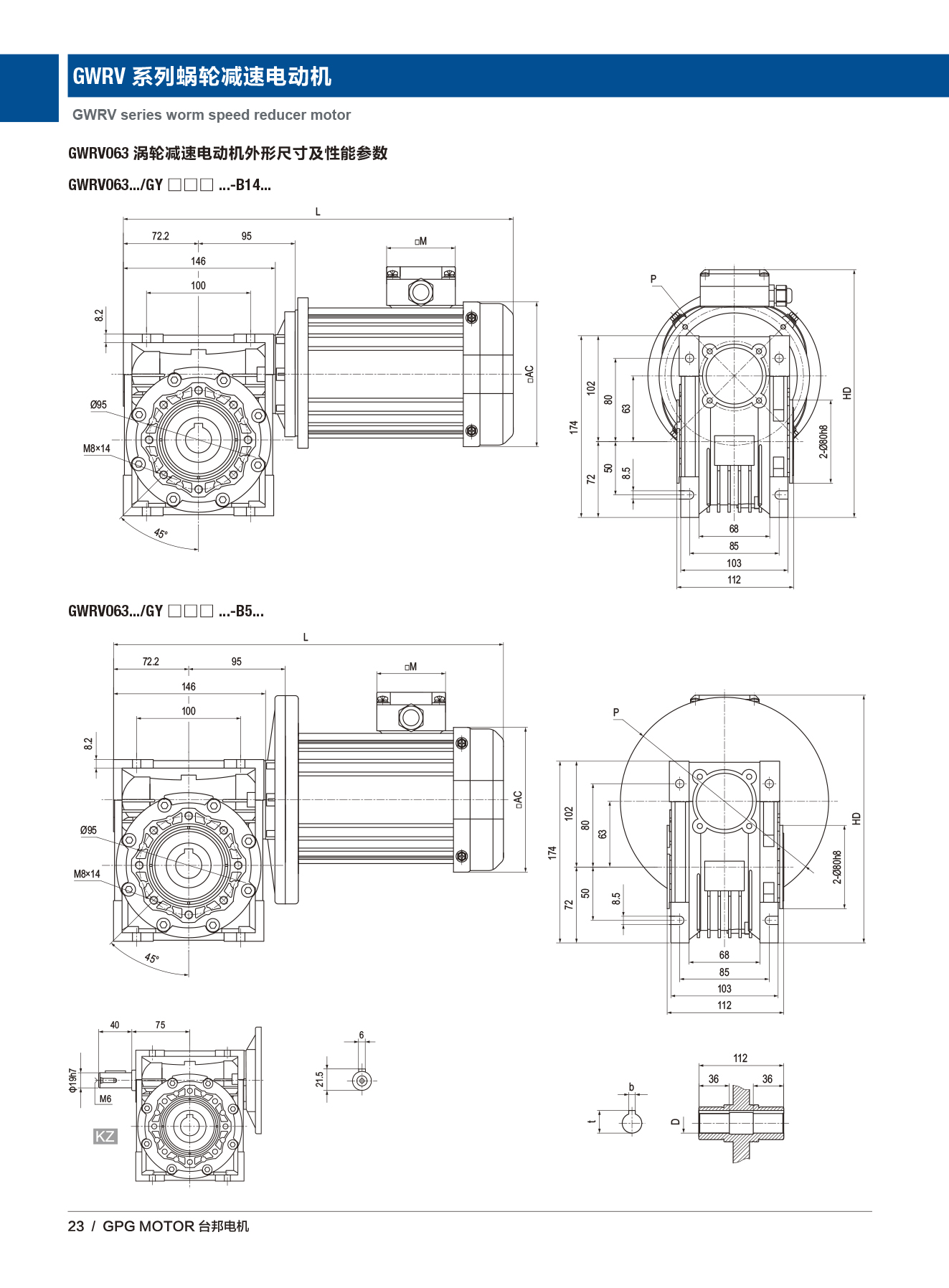
GWRV063
马达温升:额定运转时,以电阻法测定其绕组温度上升值为75K以下。
马达噪音:≤60dB
绝缘等级:F 级 ( 155°C)
环境温度:-10°C~+40°C
使用湿度:90% 以下(不结露状态)
pdf文件.pdf
产品参数